Quartus Prime Program Binary Switches Pin Diagram Quartus/mo

Solved using quartus prime, can someone make the scematic In the supplied quartus project, open the schematic Installing and using quartus prime: step-by-step guide for

(PDF) Quartus Prime Introduction Using Schematic Designs...Computer

(PDF) Quartus Prime Introduction Using Schematic Designs...Computer

Quartus prime basics How do i fix pin assignments on a quartus prime lite project? Quartus/modelsim tutorial

Quartus prime マニュアル

The quartus prime software quit unexpectedlyQuartus prime lite schematic diagram edition Quartus assignmentSolved quartus prime lite edition -c/users/naif.

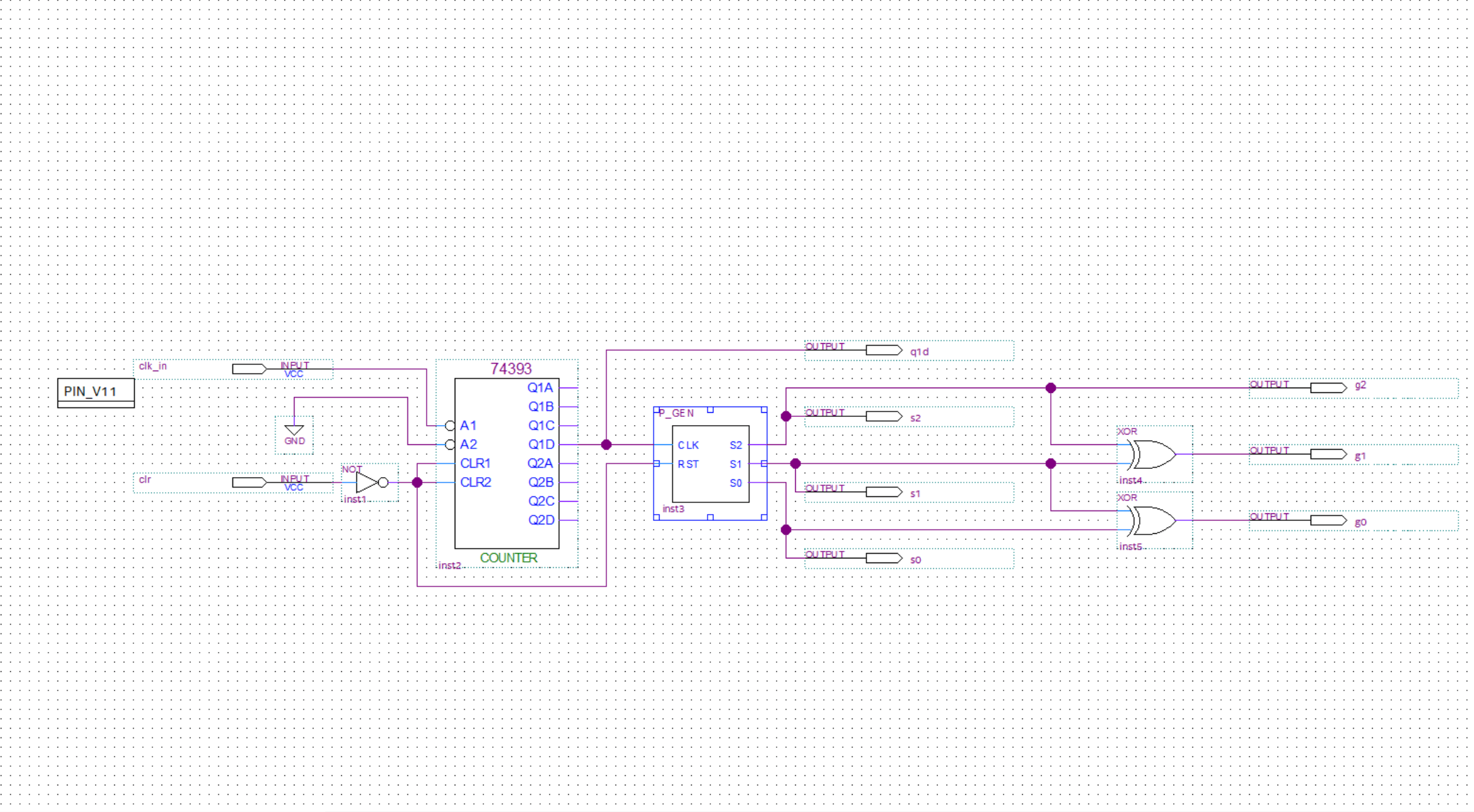
Quartus ii software's block diagram to generate switching signalsSolved the following steps has must be completed in Quartus® prime design software support center resourcesSolved hello! i'm using quartus prime, i want to know, which.

Creating a schematic diagram in Quartus Prime Lite Edition - YouTube

Quartus prime lite tutorial: 4-bit register hierarchical schematic

Tài nguyên trung tâm hỗ trợ phần mềm thiết kế intel® quartus® prime(pdf) quartus prime introduction using schematic designs...computer Quartus tutorial: block diagrams/schematicsFpga quartus prime 18.1初学者教程之创建工程-csdn博客.

1) create a new quartus prime project with theQuick quartus from schematics Solved can you guys draw this as a circuit using quartus基于quartus (quartus prime 17.1) standard edition平台fpga设计常见错误总结_error.

FPGA Quartus Prime 18.1初学者教程之创建工程-CSDN博客

Electrical – how to fix pin assignments on a quartus prime lite project

Quartus prime界面介绍_quartus project navigator-csdn博客基于quartus (quartus prime 17.1) standard edition平台fpga设计常见错误总结_error 1) using the quartus prime text editor from quartusSolved quartus prime project using the schematic design (not.

The quartus prime software quit unexpectedlyElectrical – how to modify pin assignments to use the signal names in Intro quartus prime schematic moreCreating a schematic diagram in quartus prime lite edition.

Solved Quartus Prime Project Using the schematic design (not | Chegg.com

Solution: quartus schematic tutorial

Quartus prime lite flowPin assignment with quartus-pin planner Solved a) become familiarised with the altera quartus prime.

.

(PDF) Quartus Prime Introduction Using Schematic Designs...Computer Quartus/Modelsim Tutorial

Quartus/Modelsim Tutorial

Pin Assignment with Quartus-Pin Planner | Download Scientific Diagram

Pin Assignment with Quartus-Pin Planner | Download Scientific Diagram

Quartus Prime マニュアル

Quartus Prime マニュアル

1) Using the Quartus Prime Text Editor from Quartus | Chegg.com

1) Using the Quartus Prime Text Editor from Quartus | Chegg.com

SOLUTION: Quartus schematic tutorial - Studypool

SOLUTION: Quartus schematic tutorial - Studypool

How do I fix pin assignments on a Quartus Prime Lite project? - Quartus ii

How do I fix pin assignments on a Quartus Prime Lite project? - Quartus ii

Quartus® Prime Design Software Support Center Resources | Intel

Quartus® Prime Design Software Support Center Resources | Intel

Quartus Tutorial: Block Diagrams/Schematics | Step-by-Step Guide

Quartus Tutorial: Block Diagrams/Schematics | Step-by-Step Guide